This is an electronics project of mine. It’s a 1937 Philips radio modified into a docking station.
The reason I did it was because I had this old Philips radio laying around. And I couldn’t use it because it only had an AM receiver. So, I thought it would be cool to make it into an iPhone dock =D
How I did it
The first thing I did was to remove old the old parts from it.
Replace old speaker element
Then I cut out the front of an old speaker and replaced the original speaker element. The reason for this was that the original element didn’t have any bass at all.
10 Simple Steps to Learn Electronics
Electronics is easy when you know what to focus on and what to ignore. Learn what "the basics" really is and how to learn it fast.
If you don’t have an old speaker laying around, you can find some cheap speaker elements from Parts Express.
Add docking function
To dock the iPhone and get sound from it, I used a Fiio L11 from Parts Express.
It enables you to charge the iPhone and get sound output when you plug it in.

Amplifier circuit
To amplify the sound, I used a TEA2025 amplifier circuit. It gives 2.5 watts of power, which was sufficient for this project.
Parts Express also has cheap audio amplifier boards for your electronics project if you don’t want to build one yourself.
Add Display
I made the display by drawing it on my computer, then printing it out on a sheet of paper placed behind a plastic window. I used LEDs on the back to indicate volume and source selection. The LEDs are controlled by an Arduino.


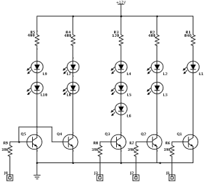
Here is the schematic diagram for the LEDs:
J1, J2, J3 and J4 are connected to outputs of the Arduino. The volume knob is a dual potentiometer (two potentiometers in one), so I have used one to control the volume and connected the other one to an input of the Arduino. The Arduino then controls the LEDs according to the potentiometer.
The finished project
If you liked it, please share and leave a comment below =)
Return from Electronics Project – Old Radio iPhone Dock to Circuit Ideas
More Circuits & Projects Tutorials
10 Simple Steps to Learn Electronics
Electronics is easy when you know what to focus on and what to ignore. Learn what "the basics" really is and how to learn it fast.







I love that you have salvaged your old radio than throwing it to the garbage.
Do you have the circuit for your LED volume indicator?
_____
LInda
Thanks Linda =)
I updated the article with a and short description the LED volume indicator.
Øyvind
This website has very good content. This is exactly what I was looking for.
Thanks =)
Your project has been included in the article: 20 Arduino projects of 2013 – http://www.nudatech.com/blog/20-arduino-projects-of-2013/
Yo Man …! You are genius.Will it work for android mobile too?
Hey! Yes it will. But you will have to change the docking part to one that fits Android.
Oyvind